Hi
I have a juno 106s and now i’m doing maintenance by myself.
Everything’s alright except that I’ve found sysex value of pwm fader only goes to 68 when set to 10, while the other faders all goes up to the value of 7F when checking with midi monitor program.
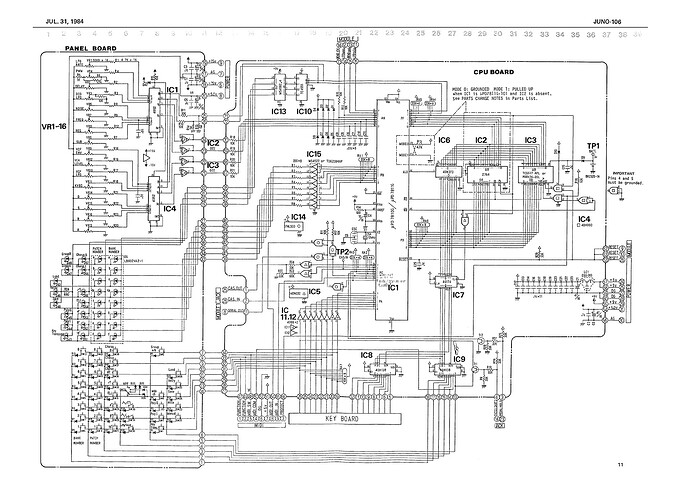
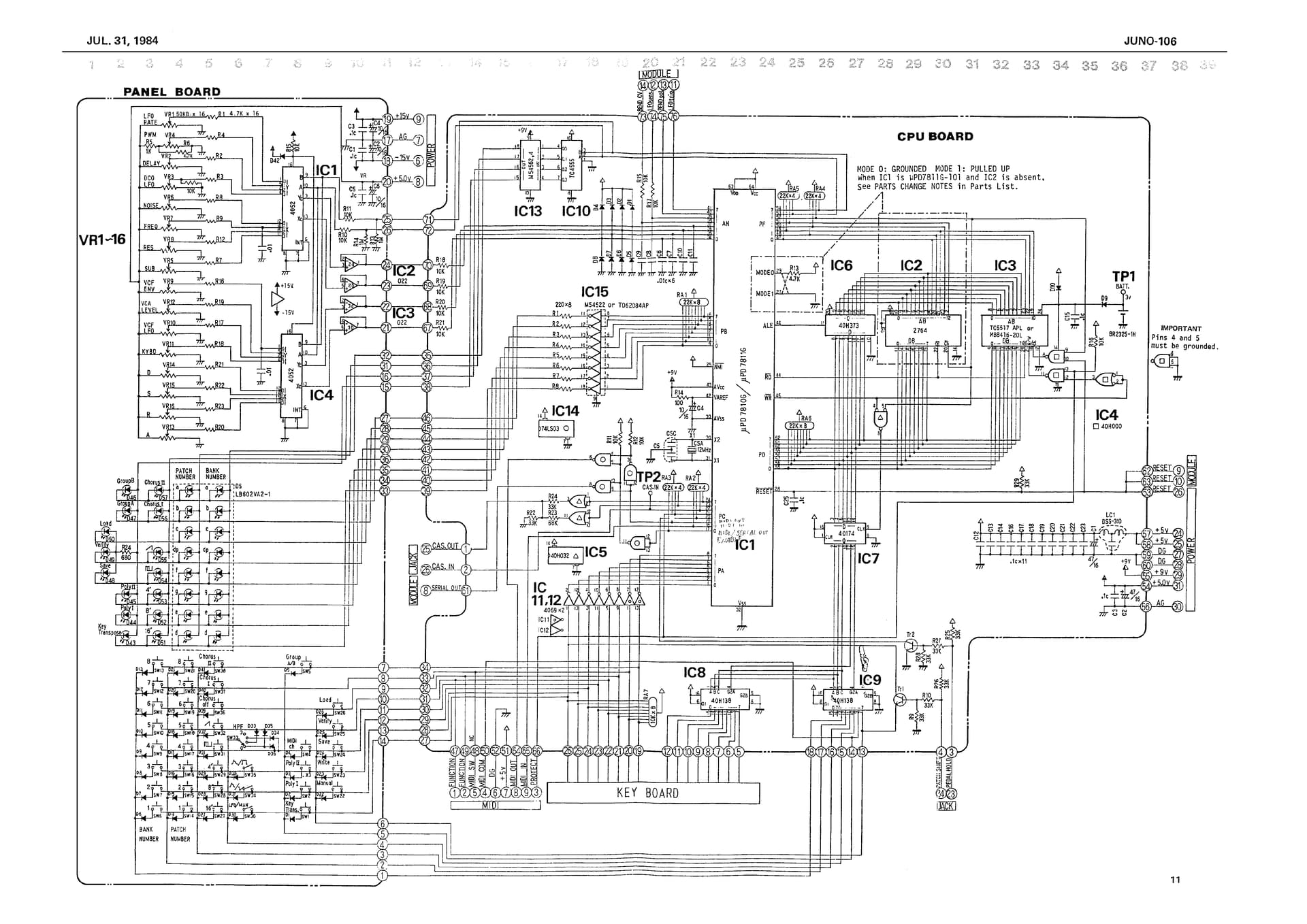
I thought it is a simple fader problem and have replaced the fader several times but the issue persists. I also have changed IC chip (tc4052) and resistors around the fader (R2, R4, R5, R6 in panel board) but none of them solved the issue.
My question is that
- is it normal for pwm fade to go up only to the sysex value of 68? I would be happy if somebody who has juno can test and confirm it. (Actually, I’m not expecting it is normal because my pwm duty cycle only goes up to around 90% when set to 10 in calibration stage.)
- can anyone confirm what ohms the R4, R5, R6 in panel board of juno have? I’m still suspecting the resistors. I have attached circuit diagram of the panel board. and according to that I thought R4, and R6 have 4.7k ohms and R5 has 1k ohms. but I don’t have any knowledge about electricity and circuit stuffs and don’t know how to interpret it. In the circuit diagram, pwm slider looks different than others but I don’t know what it means.(I’ve already tried to replace those resistors.)
- or could you give the other advice?
Thank you for the reading. I hope somebody can help me
