Bricked Korg Prologue after firmware-update

[Korg] [Prologue] – [no-power after firmware update]

Hi, I am new here, so I hope I am asking correctly.

I tried updating my Korg Prologue 16 to latest firmware, but it stopped with a message that it was not able to finish. I tried sending it again to the synth, but the synth did not respond. Then I did the stupid thing and turned it off in hope that I could start over again.

Now it does not turn on at all. No lights or anything.

I read briefly on another forum that someone was told after doing similar thing that the main board needed to be replaced.

Does anyone here have experience with this?

• Model & revision/OS: 2.1
• Symptoms (what changed, when): Firmware-update failed when updating to os 2.1. Now the synth does not turn on.
• Tests already done (voltages, parts replaced): No parts replaced.
• Photos / audio clips:

Can you lift the ROM from the board and program that way?

Thanks for the suggestion, but I don’t have neither the knowledge or the tools to do this.

I found the mainboard on Synthaur webshop, and from the picture it looks like it is something I can just replace without soldering anything.

I guess my real question is: Does anyone know if replacing the mainboard would fix my problem?

The next question would be: It says in the description of the part that it needs programming or updating. Does it mean that I need to do the same firmware-update I tried to do, or does it need special equipment?

Check the service manual and board to see if there’s a programming port available.

Can you get the ROM image from Korg??

I have contacted Korg about the ROM image, and also if it is possible to get the ROM chip only.

I don’t have any experience in reading service manuals, so I don’t know what I am looking for. I have attached a picture of the main board in the service manual.

I looked in the service manual and it doesn’t tell you how to flash the ROM. It’s likely possible through the USB port with a computer but Korg would know more about that.

It’s possible your mainboard has a fault and that’s why the ROM failed to write. It could be the ROM itself has failed, the main CPU or possibly something else. Replacing the mainboard would surely fix the problem. You would install the new board (which requires no soldering) then do a firmware update like normal, no special equipment needed.

The ROM IC is soldered to the board so it would be difficult to replace unless you have a technician who can handle surface mount desoldering and soldering.

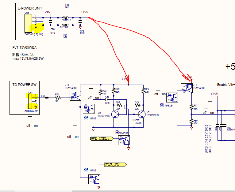
Before you go panic-buy stuff - please check a few more things first. The Prologue 16 (and 8) use a 15V SMPS that feeds all the circuitry which makes all the voltages required for the unit to run.

The power switch is not a power switch in the usual sense - it requires for the 15VDC from that SMPS to be available. The power switch then turns on a transistor , which in turn turns on all the other stuff. As part of that “turning on other stuff” the power on/off circuitry now expects the CPU to turn on and raise a signal to keep that power circuitry up even after you release the power switch.

I went through the schematics and unfortunately KORG engineering did not provide a simple power LED anywhere to give an indication what is on (or not).

So, after all that - and I do not have a Prologue at hand - can you try a few things:

  1. plug in the power at the mains, have the Prologue in a dark room and push the power switch repetitively and have a look if you can see any of the LEDs on the front panel come on for maybe just a flash - just to hopefully see if the main 15V SMSP is actually working.
  2. If you can’t see anything at all I suggest opening the unit and check that 15V SMPS if it actually supplies that 15V (looks like the picture below) - hope you have and can use a volt meter?

Thank you for the insight! I have not heard anything from Korg yet, and I don’t have the tools or skillset to do surface mount desoldering / soldering or a technician to help me with this, so it looks like the best solution for me is to buy the mainboard from Syntaur.

So I finally took the courage to open up the synthesizer and check it with the voltmeter. I find it scary opening up an instrument for the first time, afraid I might destroy something, but this one is like a 1500 $ paperweight already :slight_smile:

I measured the leads from the power supply and it gives 15V as expected, so if you guys don’t have anything else I should check I guess it’s time to order a new mainboard :slight_smile:

1 Like

That is good:

Next thing to check is the power switch (you’d very annoyed buying a new board just to find the switch is bad) - find connector CN4 on the main board. place the negative lead from the meter to either pin 4 of CN4 or on pinn 3 or 4 on the connector from the power supply. Then place the positive lead of the meter onto pin 1 on the CN4 connector on the main board. You should read about 15V there - then when you press the power switch that should go down to 0V.

Yes! I would be really annoyed if that was the case :sweat_smile:
So, I had put it back together after the previous test (don’t want the cat playing around in there) but I have tested the switch now. The voltage drops to 0V, and the continuity test through the switch is good.

I don’t have a microscope, and as mentioned earlier I lack both the skills and equipment to do surface soldering, so there is no way for me to find out what’s wrong with the main board. Everything seems just fine looking at it.

Is there anything else I should check before ordering?

Hi, I have a similarly bricked prologue. Someone gave it to me, so I don’t know how or why it was bricked, just that it doesn’t start. I’ve been measuring voltages and probing parts of the board where there are local power supplies:

The power supply module is fine, it gives +15V.

Parts of the power supply on the main board are also intact. IC22 (an NE5532, near the “lead free” text has ±12V. Many other opamps (4558, single supply) have +12V.

15V are being passed on to the voice boards (leads 3 and 4).

The regulator IC19 is fine, always generating 5V (even when off). Input voltage 15V.

Regulator IC21 is disabled, the EN pin measures -12V and the output is dead. The input voltage is 5V.

That schematic is useful, but there’s much more on board 3723 than the digital stuff in that schematic drawing.

Ok I came here to ask for the rest of the manual, but I found it online. I’ll take a look. Anyway, I think something needs to enable IC21, and maybe that will enable further stuff. The board must be 4 layers (or more) and I couldn’t figure out what is supposed to enable it.

huh, it doesn’t look like IC19 should be always on.

and, IC21 isn’t disabled, it’s being used in some weird way to generate ±12V, which is why the output shows as “dead”. but it’s strange that the EN input is at -12V.

I measured 3.3V on some cables going to the voice boards (haven’t seen IC20)

…and 5V for the analog 5V part (IC11). So all the regulators seem to be working.

All the hardware stuff appears to be working so perhaps this is indeed firmware related. Unless something is up with PWR_CTRL1 or PWR_SW, wherever those signals are going…

TBC

Just thinking out loud…

I measured that pin 5 on the voice board cables enables/disables the local regulators, but via a mosfet rather than using the EN input. And I see now that pin 5 carries the PWR_CTRL/PWR_CTRL3 signal. And that is just 0V all the time. It’s supposed to come from the main CPU IC1A, on pin 122.

This is going a lot faster now that I have the schematics :smiley:

Although I’d prefer if I could find a broken ribbon cable or burnt component. That would be an easier fix…

Hi again everyone helping me with my Korg Prologue!:grinning_face_with_smiling_eyes:

I ordered the main board around 1. of January and it finally arrived a couple of days ago, but I have not found the time to install it yet. I will come back to you all when I have replaced it and hopefully a fully functioning Korg Prologue :slight_smile:

@nejisaurus I don’t have any tech knowledge so I really hope you find a way to fix the problem with your synth!
In my case I am happy if I can manage to unscrew that main board and put in the new one without braking anything! :rofl:

Oh, cool, then I can see if you get it to work.

Replacing the board should be easy, just take it slow, label the connectors and take pictures, and keep in mind that you shouldn’t have to use much force to disconnect or insert the connectors. If you start using force, likely something is misaligned or some locking tabs have caught. You may need some tweezers to get the white connectors to come out. Not to pull but to pole at locking catches and stuff. Oh, and don’t wear wool or plastic stuff. Static electricity is your enemy. Ideally you should ground yourself somehow. You can get bracelet, it could be as basic as a wire to the ground: https://c8.alamy.com/comp/2CCDPJP/grounding-or-earthing-person-sitting-at-work-bench-with-grounding-bracelet-2CCDPJP.jpg (unsure how sensitive it is in practice).

I’ll see if Korg will send me any useful stuff for reflashing it. I can get hold of STm debuggers and stuff so it could work if they have something.

Hi everyone helping me fix the Prologue.

So I finally swapped the main board. Terrifying, since the most complicated thing I’ve done to a synth was fixing a couple of dead keys on a JX-8p years ago.
There was a small difference between them… the original had a bracket for a screw between the pedal inputs which was soldered to the main board. The new one did not have it, but I was able to unsolder it and solder it in place on the new board.

I broke a small piece of plastic on the old main board. Didn’t realize that the cable had a tab on the sides, but it does not matter since it is on the old one. Lesson learned :slight_smile:

The synth works now :star_struck: :partying_face:
It is now updated to the latest firmware and everything is working perfectly!

Only thing “wrong” with it is that all the sounds, even the factory ones, are all gone. Haven’t checked, but they are probably downloadable from Korg anyway.