I turned my emulator II on yesterday, it’s started to boot up then the lights flashed and one of the capacitors burnt out, anyone know how i can find out what capacitor i need to replace it , it’s on the main left hand board , thanks Ian
1 Like
thanks for you help, I’ll replace it and see how i get on
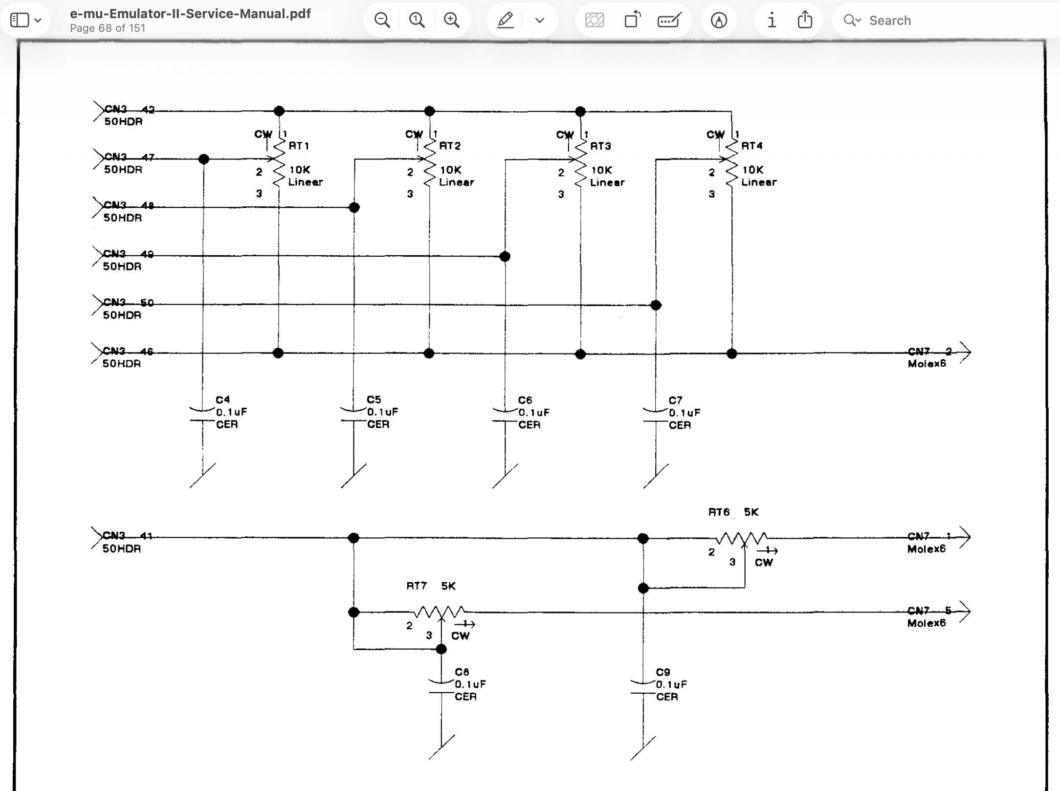
That cap has a polarity marking and it looks like an electrolytic.
Just checked the service manual and it is a 10 uf tantalum. (page 115)
They will blow up when they short. you should be able to replace
it with a regular electrolytic.
1 Like
thanks for your help, I’ll replace it and see how i get on, just hope there’s not another problem that caused it to burn out. Ian
1 Like
Look at C4, C5 and C7 to see what you need to replace it with as they’re the same.
It appears that the circuit uses the caps to smooth the movement from the potentiometer.
Not sure why that’s blown…
thanks, the others have 106 +25 on them so I’ll get some and give it a go, thanks
1 Like

