Technics SX-WSA1 Keyboard Transformer swap

Technics SX-WSA1 Keyboard Power supply swap

Hi.

I have a Technics SX-WSA1 keyboard with a European (French) 220v power supply. It is fully working, no issues at all. As I live in the US i use a power converter to go from my 120V 60Hz to 230V 50Hz. My question is: Can I swap the internal transformer to make it native for 120V? would anything else in there need to be swapped out?

Thank you!

I’ve done this kind of conversion many times. Yes, you can replace the internal transformer, but you need to do it correctly.

The WSA1 uses a transformer with a center-tapped secondary basically two secondary windings for the dual-rail power supply. What you should do is measure the AC voltages on the secondary outputs of the original transformer while it’s running from the correct 220–230V mains.

Once you know the exact secondary voltages, you can easily select a 120V primary transformer with the same secondary ratings and similar power rating/size so it physically fits inside the chassis.

Nothing else in the keyboard needs to be changed. The unit rectifies the AC with diodes and filters it, so 50/60Hz doesn’t matter — the electronics see DC after the rectifier anyway.

Just match the transformer’s secondary voltages and VA rating, and the keyboard will run natively from 120V.

Thank you Shnup!

That all makes sense. If I were to find the OG 120V transformer for the WSA, the QTPG1M035A, would it be just a straight transformer swap? No other wiring needed to be swapped or moved?

Thank you,

Hi again shnup,

can you confirm if i need to rewire the plug? I have screen shots from the service manual and it appears some wires might need to be moved around?

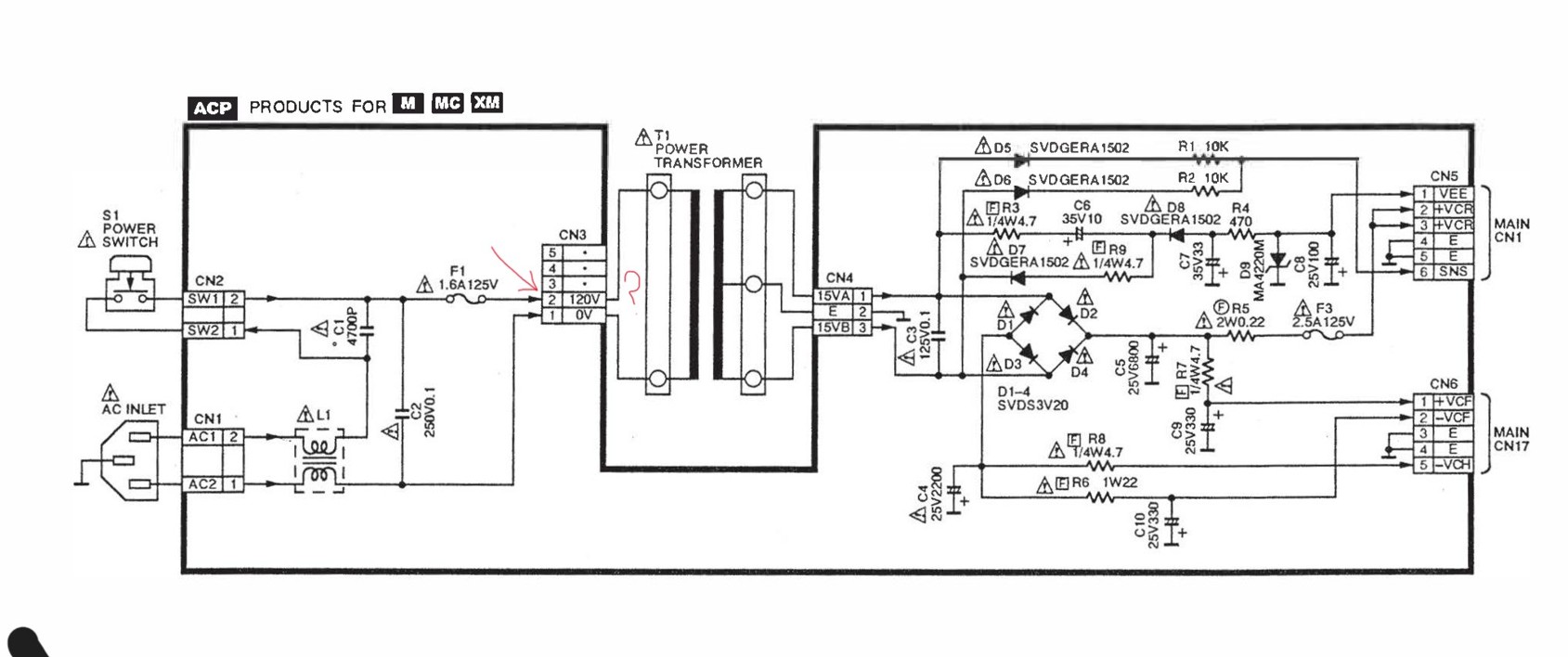
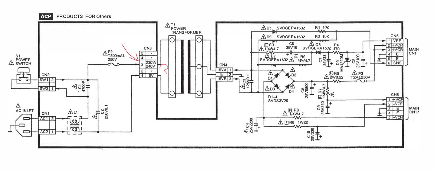
This is the 250V

This is the 120V

I have highlighted the connectors in question.

Thank you!

It’s also possible that you don’t need to replace the transformer at all.

Some Technics units were built with dual-primary transformers (two 120V windings). In that case, the factory simply wired the primaries in series for 230V operation. If your transformer has extra primary leads, you may be able to reconfigure it

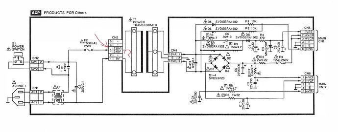
Check it

Thanks for the schematics.

It potentially looks like CN3 pin 1 is 0v of the coil transformer, pin 2 is centre tap or 120v and pin 3 is 240v, the other end of the coil.

Try measuring the resistance of the pins on the transformer to see if you can work out the coil wiring.

If you try, make sure the transformer is disconnected and read the 15v with a meter.

Good luck!

I say move the wire on pin 3 to pin 2 .
Those connectors can stay wired to the cable and come out if you press at the right spot and pull the soldered wire out. The right spot is the little window where the metal clip is exposed.

Thank you all for the info! The thing holding me back on this train of thought is that Technics does call out 2 different transformers.

One for North America and one for Europe. There is also a third one for Asia but it’s not relevant to this discussion. With this info, do we think it’s still just a wiring swap? I hope so but I have my doubts.

I am not able to open this keyboard up and test the voltages just yet. So that’s still going to happen before I swap wires or pins, but I just wanted to give more info to the discussion.

Appreciate the help!

1 Like