Hi guys
i cant get my keyboard to work, can someone help me to find a wiring diagram to the keyboard ?
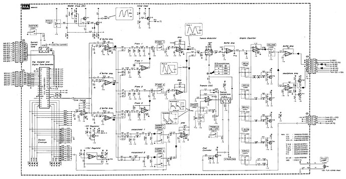
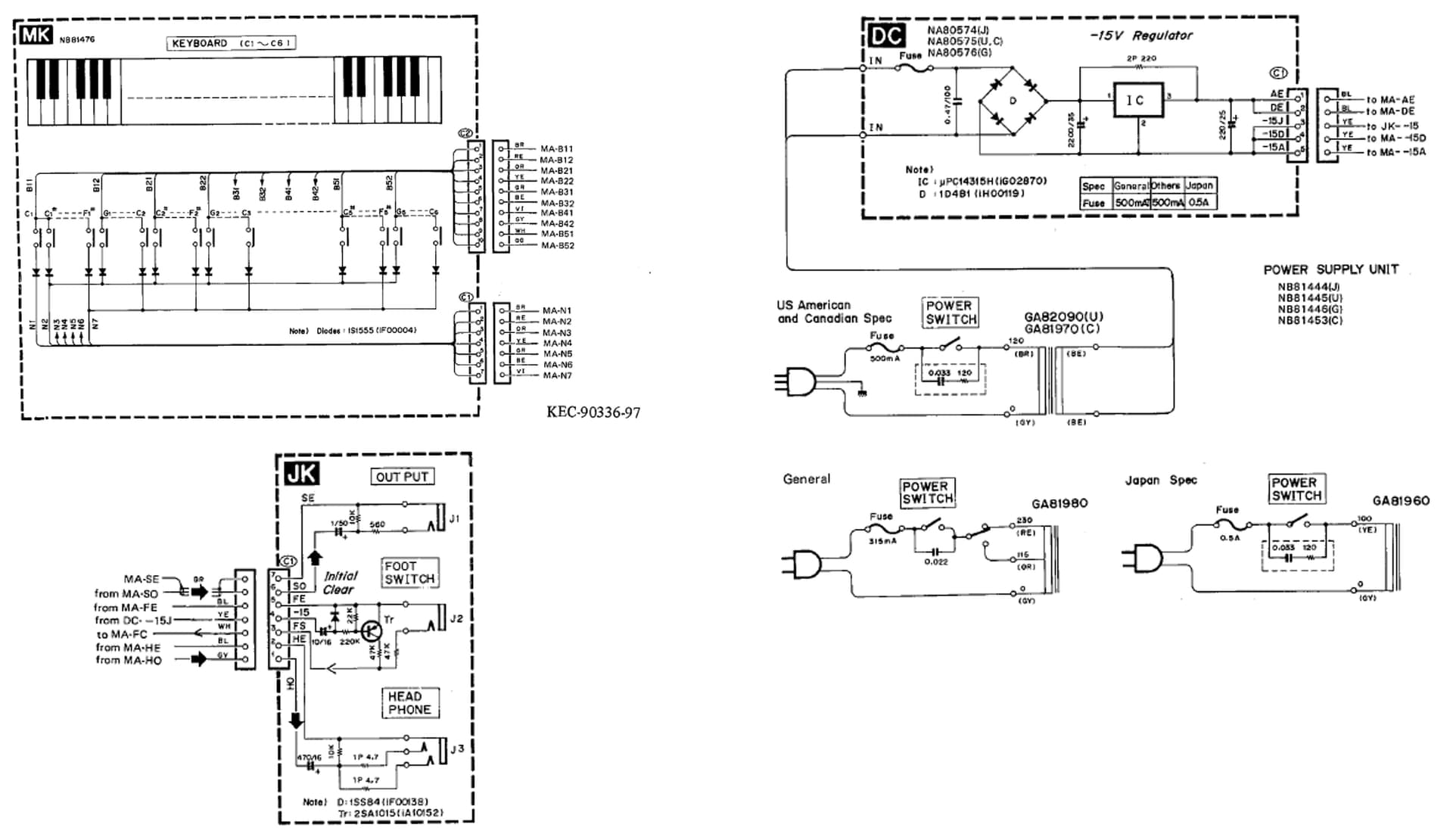
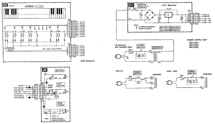
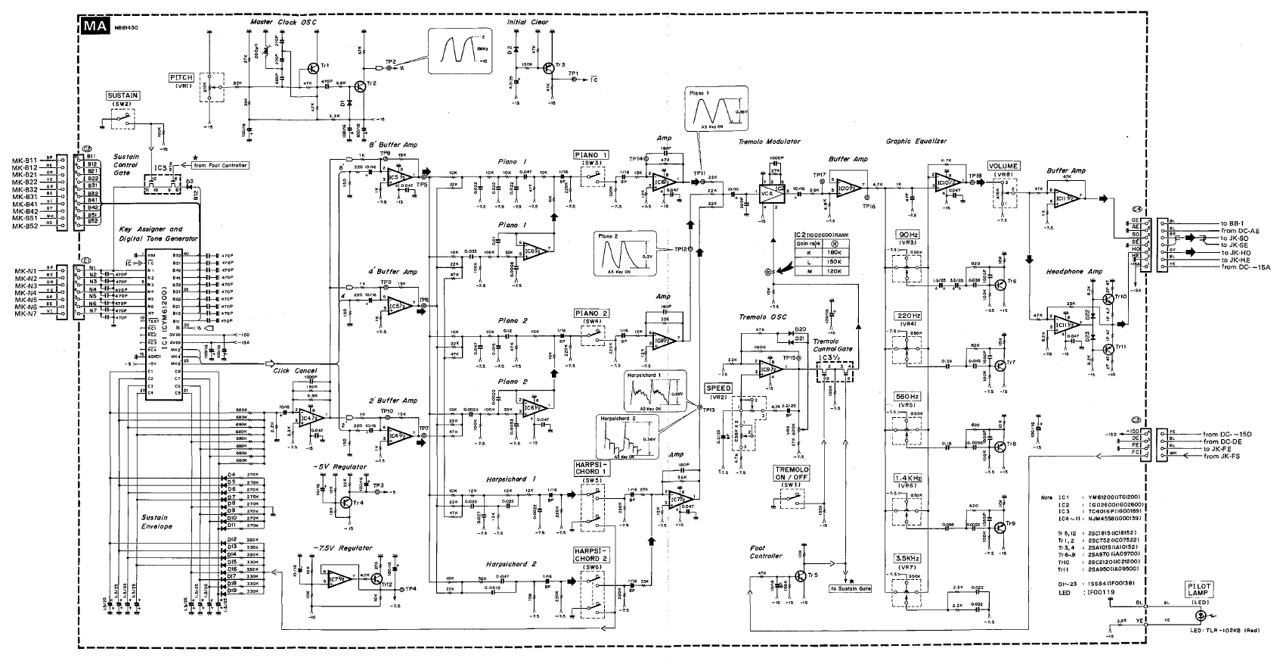
I could only find this post about the CP10 which gives some info on the block diagram:
Otherwise, it looks like you might need to scour eBay or similar to find the Service Manual.
1 Like
When you say you can’t get the keyboard to work, what are the symptoms?
Once we know this, we can help to look in the right areas.
thanks for your help
thanks for your help, iit will be useful


