Yamaha CLP-650 Pedal Issues

Yamaha CLP-650 – Pedal has power and adjusts voltage, but does not affect play

yamaha #clarinova clp-650 sustain-pedal-issues

I pulled the pedal off an otherwise-working CLP-650 because none of the pedals were having any effect. Using a voltage tester, I observed that each pedal changed the voltage between its lead and ground from about 0.8v to about 2.5v. I don’t know what the spec voltage is, but this suggests to me that the pedals and all external-to-the-piano electrical connections are working.

Given that, it seems likely to me that the issue is inside the piano (though I’m not certain about that). Is there a simple fix for this, ideally one that doesn’t involve soldering?

If you don’t know, is it worth spending $17 on the service manual?

It is definitely worth the service manual since it will show you circuit diagrams and paths as well as parts list for everything. Before you spend the money though try digging around online for a free version. Im not sure for your piano, but for my cvp98 the connector for the pedals is inside a leg so maybe yours is disconnected or bad connection. the pedalboards are fairly simple all they do is send an on off signal and the rest is handled in the DM

Thanks @pianomaster!
What’s a DM?

Digital Main board, where all the sound is handled

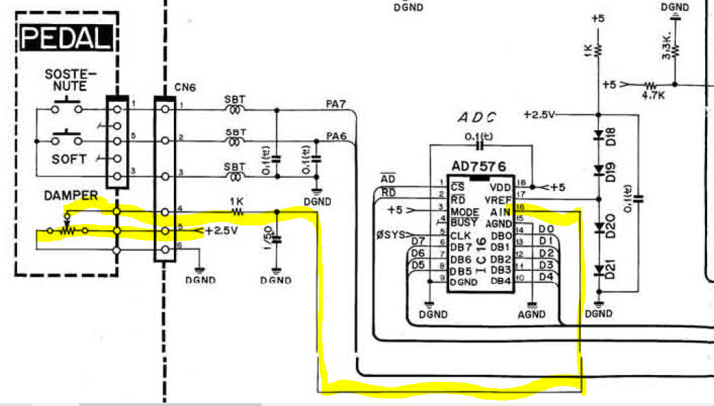
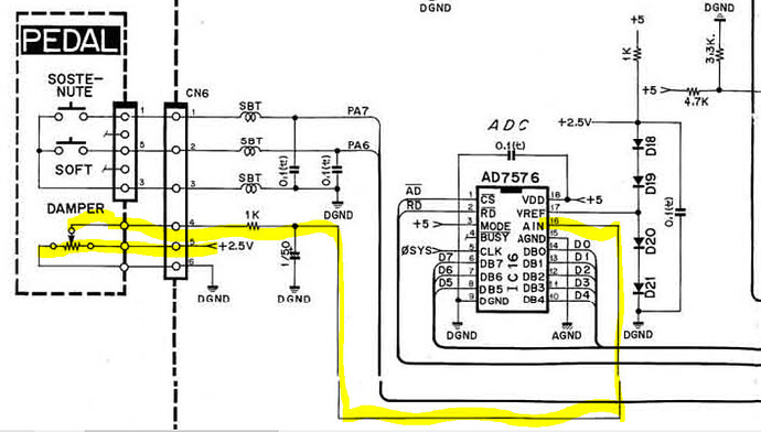
Hmmmm …. if you can see the 2.5V at the pot inside at the sustain pedal you’re going to a problem or two.

That signal goes into an ADC (Analogue to Digital Conversion) chip essentially creating a digital signal from the analogue voltages presented by the pot in the sustain pedal.

You may now want to see if that 2.5V (or thereabouts whatever the pedal position) is available at pin 16 on IC16 (AD7576 ADC) on the DM board (the main logic board)

I’ll check thanks! I’ve got a service manual (thanks for the suggestion of looking for a free one) and will give it a little time once I finish another project.

Ok I finally found some time to look at the keyboard and identified that the issue is on the DM somewhere, which is beyond my capacity to fix.

Another potential solution would be to get a different set of pedals that plug into the midi ports. They look like this:

I’ve seen midi pedals online, but they typically look have a 1/4” plug. Also, some of them have a “sustain” midi port, which this doesn’t have.

Does such a thing exists as a pedal set that could plug into these kinds of midi ports (knowing that the keyboard is designed for the pedals to plug into a dedicated spot)?

1 Like

There’s always someone out there that has done what you need! The power of Google!

I did a search for “sustain pedal raspberry pi midi”. It shows several projects where a raspberry pi connects to a pedal and sends MIDI data. Don’t know if something off the shelf exists